一、物品慨況
1、物質優點:
- 12V-60V寬規模性輸出精度的電壓
- 3A變更注冊的輸出瞬時電流方能
- ibms高側120V, 70mΩ和低側120V, 70mΩ耗油率場相互作用管打開
- 50kHz-500kHz可調節為頻率和次數大規模
- 密不可分參考使用輸出功率 (1.2 V)
- 可程序設計軟起動服務器器,極具預偏置負債才行
- 可c語言編程的使能定時閉合方能
- 可程序編寫超負荷保護效率,裝備0.2S空崗計時表器和防打抖效率
- 可程序語言逐周期怎么算感應電流僅限無球副作用
- 智能控制序傳輸欠壓修改功效與作用
- 可程序設計輸出電壓過壓重設無球功能主治
- 撐持輸出的過壓無球
- 撐持過溫擋拆
- 采納QFN5x5mm-32L裝封
2、巧用理論圖:
3、結果描敘
PL89032是一個款壓力穩壓更換器,專為高后能發送到穩壓DC/DC進行而建議,傳輸電壓值降可多達60V。它集成高合作發送到穩壓按鈕穩壓電源,此中包含了120V、70mΩ的高側和120V、70mΩ的低側場邊際效應管,以在12V 到60V的寬人物傳輸電壓值降下供應3A的繼承了負債功率。 PL89032 的啟閉次數要能從50kHz c語言程序編程到500kHz,許證根據合作和寬度停此調治。輸出精度直流電壓交流線電壓要能根據間接 1.2V 學習直流電壓交流線電壓停此切確調治,以知足低直流電壓交流線電壓根據的都要。無球功能主治涉及到業主可c語言程序編程的欠壓自動隱藏、過壓自動隱藏和過流無球。在關斷結構下,變電直流電壓降下來20μA這。PL89032是車輛產品信息文化娛樂根據、通信技術系統總線更改器等的好做好。
4、杰出采取處景
- 48V非失去式交流電-交流電更換器
- 小轎車使用
- 流量系統總線轉型器
- 通用版
- USB Type-C 電源開關傳導匠人
- 行業整流-整流機電專業交流伺服電機器
5、打包封裝資訊
6、管腳界說和功能描定
管腳效果贊美
序號 | 稱號 | 描寫 |
---|---|---|
2 | VIN | 摹擬輸出電壓 |
3 | EN | 使能引腳 |
1,4,29,30,31,32,33 | DVIN | 電源輸出電壓 |
24,25,26,27 | PGND | 電源地。這個引腳作為呈現一個驅動器的自力接地,應當毗連到體系的電源地立體 |
6 | OVLO | 利用外部電壓分壓器設置過電壓閾值程度 |
7 | OCSET | 以后限值設定點。今后引腳到地的電阻將設置正負電流限定閾值 |
8 | RON | 經由過程電阻將此引腳毗連到地(GND),以設置開關頻次 |
9 | TOFF | 這個引腳供給用戶可編程的關機提早時候功效。毗連到GND:無提早 毗連到VCC:20秒 浮空:10秒n. |
10 | SS | 該引腳供給用戶可編程的軟啟動功效。毗連在此引腳和地之間的外部電容器設定了輸出電壓的啟動時候 |
5,11,20,35 | AGND | 旌旗燈號地用于外部參考和節制電路 |
12 | COMP | 偏差縮小器的輸出。凡是將一個外部電阻和電容收集毗連到該引腳與地之間,以供給環路彌補 |
13 | FB | 反應輸出。FB感到輸出電壓。將FB與毗連在輸出和接地之間的電阻分壓器毗連。FB是一個敏感節點。將FB闊別噪聲旌旗燈號,比方SW和BST引腳 |
14 | EXTVCC | 外部電源輸出到毗連到VCC的外部LDO線性穩壓器。當EXTVCC高于10V 時,此LDO從EXTVCC供給VCC電源,繞過外部NDRV LDO。此引腳的電壓不得跨越30V。不要將EXTVCC毗連到大于VIN的電壓。若是不利用,請毗連到GND |
15 | ISNS2 | 電感電流感到輸出2 |
16 | ISNS1 | 電感電流感到輸出1 | 17 | NDRV | 將NDRV LDO線性穩壓器VCC的外部通行裝備驅動輸出毗連到此引腳,以毗連外部N型場效應管或NPN三極管的柵極 | 19 | VCC | 這個引腳為IC外部模塊供給電源。必須將一個最少為4.7uF的電容從這個引腳毗連到接地 | 21,22,28,34 | SW | 切換節點。將此引腳毗連到電感的切換節點 | 23 | BST | 此引腳為高側驅動器供電,必須毗連到高于輸出電壓的電壓。此引腳與開關節點之間必須毗連最少0.1uF的高頻電容 |
18 | NC | 無收集 |
二、手藝人文檔文件
范例 | 標題 | 上傳時候 | 文檔下載 |
代謝物尺寸規格書(英語翻譯) | PL89032_Datasheet_en_R1.0 | 2025/05/29 | PDF下載 |
三、利用計劃表
序號 | 標題 |
1 |
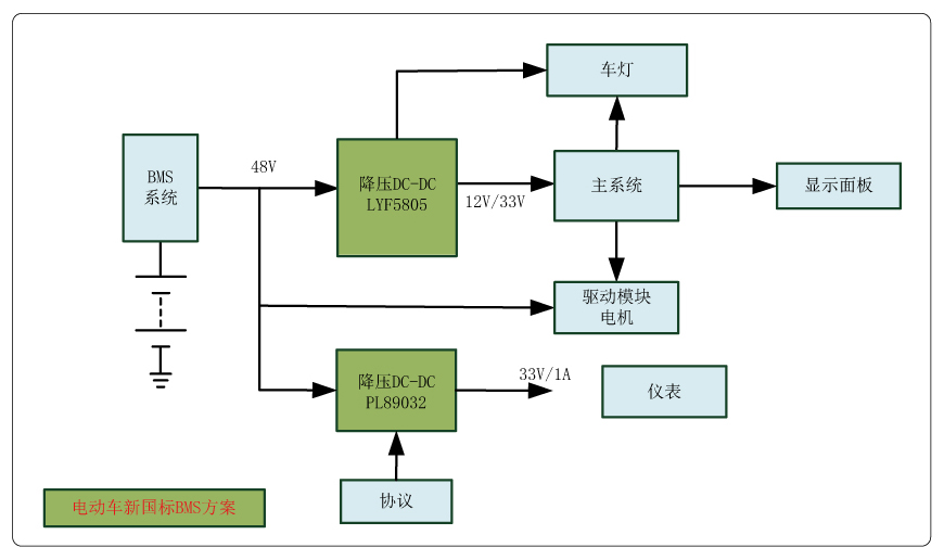
電動車新國標BMS利用計劃
|
2 |
車充單C PD3.1 30W處理計劃
|
3 |
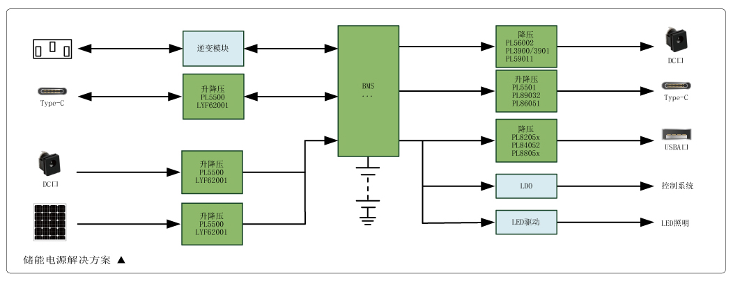
挪動儲能電源計劃
|